联系我们
CONTACT US___电话:+0755-89970055
电话:+0755-61605870
地址:深圳市龙岗区布吉街道翠枫豪园二期8号楼B座08B

X90系列可循环热风加热器(管道式加热器)
X90系列可循环热风加热器(管道式加热器)
应用于循环热风加热,并可让加热后的热空气在使用后再次循环进入本加热器,即热风再循环,以此达到节能目的,但需注意,回收的热风进入本加热器时的温度上限为100度。(可定制食品行业专用清洁型)
|
出风口最高空气温度 |
600/900°C |
|||
|
入风口最高空气温度 |
100°C |
|||
|
应用环境最高温度 |
100°C |
|||
|
入风口最高风压 |
100KPa |
|||
|
欧标符合标识 |
CE |
|||
|
安全防护等I |
〨 |
|||
X90标准型参数选型
|
品名 |
电压 |
功率 |
电流 |
频率 |
||
|
X90标准型 |
3X230V |
8.1KW |
21A |
50/60HZ |
||
|
X90标准型 |
3X230V |
10KW |
26A |
50/60HZ |
||
|
X90标准型 |
3X400V |
5.5KW |
8A |
50/60HZ |
||
|
X90标准型 |
3X400V |
11KW |
16A |
50/60HZ |
||
|
X90标准型 |
3X400V |
15KW |
22A |
50/60HZ |
||
|
X90标准型 |
3X400V |
17KW |
25A |
50/60HZ |
||
X90L加长型参数选型
|
品名 |
电压 |
功率 |
电流 |
频率 |
||
|
X90L加长型 |
3X230V |
8.1KW |
21A |
50/60HZ |
||
|
X90L加长型 |
3X230V |
10KW |
26A |
50/60HZ |
||
|
X90L加长型 |
3X400V |
5.5KW |
8A |
50/60HZ |
||
|
X90L加长型 |
3X400V |
11KW |
16A |
50/60HZ |
||
|
X90L加长型 |
3X400V |
15KW |
22A |
50/60HZ |
||
|
X90L加长型 |
3X400V |
17KW |
25A |
50/60HZ |
||
X90L加长大功率型
|
品名 |
电压 |
功率 |
电流 |
频率 |
||
|
X90TL加长大功率型 |
3X400V |
35KW |
51A |
50/60HZ |
||
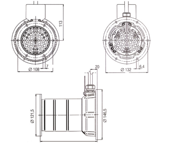
X90尺寸图(总长标准型156mm,加长型257mm,加长大功率型399mm)

